-

比特币现货ETF交易首日 业内人士怎么说?
现货比特币 ETF 在周三获得批准后于周四正式开始交易。 行业观察家和参与者很快发表了意见。 截至当...
抹茶交易平台币 2024-04-03 63
-

AI支持交易额超16亿,联想官网用大模型打造电商增长新引擎
“追风的少年”“星河璀璨的宇宙”“赛博街景”……如今打开联想官网,用户将体验到ICT行业首个AI定制...
抹茶交易平台币 2024-03-26 99
-

怎样在香港金银业贸易场官网查询黄金交易平台是否正规
香港黄金交易所(即香港金银业贸易场)是香港唯一的黄金交易场所,也是全球最大的黄金交易中心之一。香港金...
抹茶交易平台币 2024-03-26 188
-

Пекин микро-B5552 заменить LTC5552
Пекинский институт микроэлектроники был создан в...
抹茶交易平台币 2024-03-26 97
-

Пекин микро-B6951 заменить LTC6951
Пекинский институт микроэлектроники был создан в...
抹茶交易平台币 2024-03-26 78
-

亚德诺半导体 LTC2171CUKG-12#PBF Analog Devices品牌 模数转换器 - ADC
LTC2171CUKG-12#PBF Analog Devices 模数转换器 - ADC 12-...
抹茶交易平台币 2024-03-26 68
-

LTC3630AIDHC#PBF高效率、76V、500mA 同步降压型转换器
LTC®3630A 是一款具有内部高端和同步电源开关的高效率、降压型 DC/DC 转换器,在无负载条...
抹茶交易平台币 2024-03-26 337
-

LTC2358HLX-18#PBF 全新原装 Analog Devices品牌 模数转换器 - ADC
Analog Devices 模数转换器 - ADC Buffered Octal, 18-Bit...
抹茶交易平台币 2024-03-26 149
-

LTC1541IDD#TRPBF微功率运算放大器、比较器和基准
LTC®1541 / LTC1542 将一个微功率放大器、比较器和带隙基准 (LTC1541) 整合...
抹茶交易平台币 2024-03-26 62
-

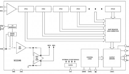
国芯思辰| 14位ADC SC2245可用于工业高速采集板卡,替换LTC2245
为了满足工业系统对实时控制日益增长的需求,工业高速采集板卡需要高速数据采集精度。在高速数字控制环路...
抹茶交易平台币 2024-03-26 46
