-

TCT Asia Awards现面向增材制造行业征集奖项 l TCT亚洲展十周年新篇章
2024年是TCT亚洲展落地中国第十届,为记录亚太地区增材制造十余年发展历程,作为TCT亚洲展十周年...
抹茶交易所官方网站 2024-03-26 108
-

【免费临床】胰腺癌新药临床试验:细胞因子药物LTC004+MIL97±化疗
LTC004是由北京志道生物科技有限公司设计开发的新型IL-2Rβ/γ激动剂,通过与IL-2Rβ和I...
抹茶交易所官方网站 2024-03-26 84
-

内置150V耐压MOS管 SL3160替代LTC7138,固定5V输出 降压恒压IC
在电子设备的设计和制造过程中,电源管理模块扮演着至关重要的角色。其中,降压恒压IC(集成电路)是实现...
抹茶交易所官方网站 2024-03-26 52
-

LTC4222IG#TRPBF具 I2C 兼容型监视功能的双通道热插拔控制器
LTC®4222 热插拔 (Hot Swap™) 控制器允许在带电背板上安全地进行两条电源通路的插拔...
抹茶交易所官方网站 2024-03-26 81
-

LTC1609ACSW#PBF Analog Devices品牌模数转换器 - ADC
Analog Devices模数转换器 - ADC 16-Bit, 200ksps, Serial...
抹茶交易所官方网站 2024-03-26 96
-

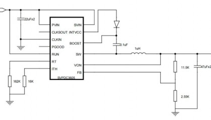
替代LTC3605A!国科安芯ASP3605A3U电源芯片介绍
ASP3605A3U是国科安芯自主研发的一款DCDC电压转换芯片,具有全国产化、抗软错误、超低功耗、...
抹茶交易所官方网站 2024-03-26 81
-

高效压实!LTC203双钢轮压路获众人高度喜爱!
近日,路通LTC203全液压双钢轮压路机一直兢兢业业在道路建设工程上进行压实作业,它在压实效率、操作...
抹茶交易所官方网站 2024-03-26 99
-

LTC203P压路机高效、稳定,多场景应用的理想选择!
不同的压实需求需要不同类型的压路机。例如,对于市政道路和高速公路等大型工程,需要选择大型的、高效的压...
抹茶交易所官方网站 2024-03-26 79
-

LTC5543IUH#PBF高动态范围、下变频混频器
LTC®5543 隶属于一个覆盖 600MHz 至 4GHz 频率范围的高动态范围无源下变频混频器系...
抹茶交易所官方网站 2024-03-26 106
-

干掉赵长鹏后,Coinbase将垄断数字货币的定价权
导语:Coinbase为ETF发行者提供托管、交易和融资服务。 据彭博社报道,美国现货比特币交易基金...
抹茶交易所官方网站 2024-03-25 101
